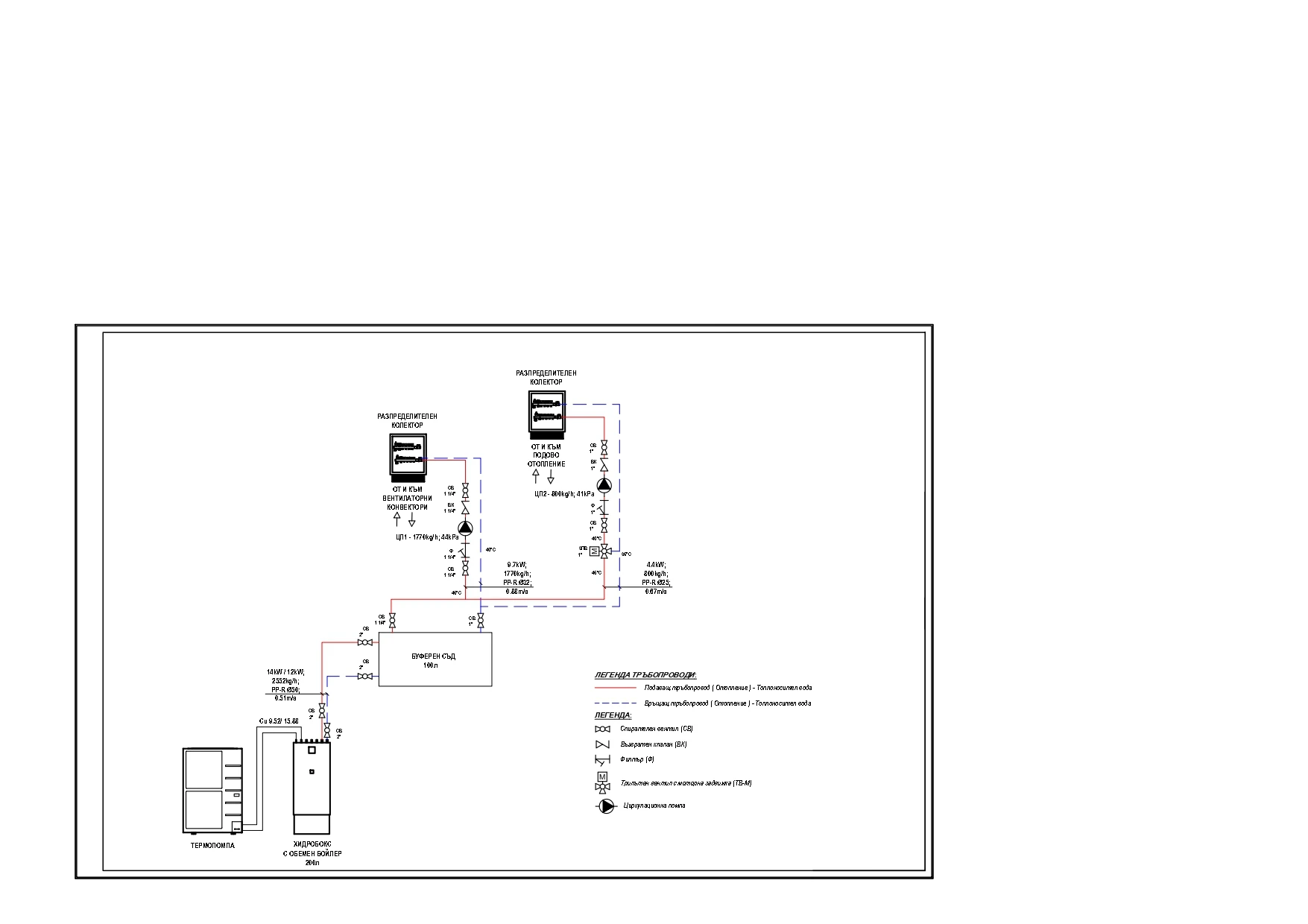
Инвестиционно проектиране
Свържи се с нас
Гаранция за всички наши услуги
Нашият екип гарантира надеждност, дълготрайност и пълен комфорт във вашия дом. Работим с висококачествени материали и модерни технологии, за да ви осигурим безпроблемна и енергийно ефективна система.
- Гарантирано качество и прецизност
- Дълготрайна ефективност на системите
- Пълно удовлетворение на клиента